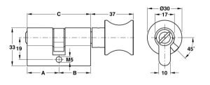
Ruột khóa 1 đầu vặn, 1 đầu rãnh dùng cho cửa vệ sinh dài 65mm
– Màu hoàn thiện: Nickle mờ
– Vật liệu: Đồng thau
– Chiều dài A: 32.5mm
– Chiều dài B: 32.5mm
– Chiều dài C: 65mm
– Trọn bộ gồm: 1 Ruột khóa, 1 Vít
– Dùng cho cửa có độ dày tối đa 45mm
*Lưu ý:
+ Ruột khoá Hafele dành cho cửa vệ sinh sẽ không có chìa khoá đi kèm.
+ Hình ảnh có thể là 1 sản phẩm tương tự
Tham khảo cách chọn ruột khoá Hafele











Đánh giá
Chưa có đánh giá nào.