Ruột khóa Häfele 1 đầu chìa, 1 đầu vặn, 5 chìa dài 70mm 916.63.099
– Màu hoàn thiện: Nickle mờ
– Vật liệu: Đồng thau
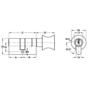
– Chiều dài A: 35mm
– Chiều dài B: 35mm
– Chiều dài C: 70mm
– Trọn bộ gồm: 1 Ruột khóa, 5 Chìa khóa, 1 Vít
– Dùng cho cửa có độ dày tối đa 50mm
*Lưu ý:
+ Hình ảnh có thể là 1 sản phẩm tương tự







Đánh giá
Chưa có đánh giá nào.