RAY BÁNH XE HAFELE
• Chiều dài: 300 mm
• Tải trọng: 20 Kg
• Phiên bản: tự đóng, dẫn hướng bởi: 4 con lăn bằng nhựa polyamide
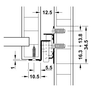
• Điều chỉnh: Điều chỉnh chiều cao thông qua các lỗ có rãnh trên thanh ray
• Chất liệu: Thép
• Kích thước: chiều rộng ray hộp tối đa = chiều rộng lọt lòng + 25 mm
• Lắp đặt: ở mặt bên thành hộc tủ
• Mặt bên ổn định nhờ sự dẫn hướng tự động trên mặt bên phải
• 20.000 lần đóng mở, theo tiêu chuẩn DIN EN 15338 Level 1
• Trọn bộ gồm: 1 cặp ray với 4 phần tách riêng.










Đánh giá
Chưa có đánh giá nào.